利達LD1000ED火災聲光警報器 隔爆型

一、利達LD1000ED隔爆型火災聲光警報器概述
利達LD1000ED火災聲光警報器采用特殊防潮技術,抗潮濕、抗干擾能力強,該火災聲光警報器占一個節點地址,采用電子編碼方式編址,操作方便。可通過設置作為無編碼火災聲光警報器使用。LD1000ED火災聲光警報器與利達公司生產的全系列控制器配合使用。當現場發生火災并確認后,安裝在現場的火災聲光警報器可由消防控制中心的火災報警控制器啟動,發出強烈的聲光報警信號,以達到提醒現場人員注意的目的。
二、利達LD1000ED隔爆型火災聲光警報器性能特點
◎二總線,無極性,采用專用嵌入式MCU。
◎DC 24V二總線無極性。
◎采用電子編碼,占一個地址點(0~255)。
◎室外型,具有防爆功能。
◎可通過設置作為無編碼火災聲光警報器使用。
三、利達LD1000ED隔爆型火災聲光警報器技術參數
型號 LD1000ED
名稱 火災聲光警報器
品牌 利達
二總線工作電壓 DC 14V~24V
二總線靜態電流 <1.0mA
二總線報警電流 <1.5mA
電源總線 DC 24V(DC 18V~28V)
電源總線靜態電流 <1.0mA
電源總線報警電流 <25mA
電源總線峰值電流 <60mA
閃光頻率 1.0Hz~1.5Hz
聲響強度 75dB~90dB
閃光頻率 1.0Hz~1.5Hz
變調周期 3.0s~5.0s
格蘭頭規格 NPT3/4-G3/4,外螺紋
防爆標識 Ex d II C T6 Gb/Ex tD A21 IP66 T80℃
工作環境溫度 -20℃~+50℃
工作環境相對濕度 ≤95%(40±2)℃(無凝露)
安裝方式 壁掛或立柱安裝,立柱安裝時需配LD2100A
重量 1.22Kg±0.01Kg
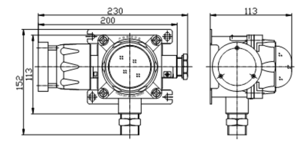
最大外形尺寸 長230mm×寬113mm×高152mm
四、利達LD1000ED隔爆型火災聲光警報器外觀尺寸


公司資質
檢測報告
檢測報告
環境管理體系證書
質量管理體系證書
蘇公網安備32058102002152號