利達LD6800EH-1輸入/輸出模塊

一、利達LD6800EH-1輸入/輸出模塊介紹
LD6800EH-1采用單片機和智能軟件,特殊防潮技術、表面貼裝(SMT)生產工藝和插拔式結構設計,工作穩定可靠,具有較強的抗干擾能力。主要用于送風機、排風機、電梯、切斷電源、空調等設備的控制,可以與利達公司生產的E/EN/EL系列火災報警控制器配合使用。滿足GB16806-2006《消防聯動控制系統》、《強制性認證實施規則》、《強制性產品認證實施細則》,取得消防產品3C認證證書。本產品無污染、功耗低,適用于各種工業及民用建筑。
二、利達LD6800EH-1輸入/輸出模塊功能
★二總線,無極性。
★采用電子編碼,占一個節點地址(0~255)。
★電源總線,有極性。
★可輸出1路DC24V/2A電壓信號。
★可輸入一個聯動設備動作后的反饋輸入信號。
★可輸出1對無源常開常閉接點,容量DC30V/2A。
★單色指示燈顯示模塊動作信息。
★電源總線斷電、輸入新路斷線、輸出線路短路或斷路時,模塊返回故障信息。
三、利達LD6800EH-1輸入/輸出模塊主要技術參數
內容 技術參數
類型 輸入/ 輸出模塊
指示燈 模塊輸出動作—輸出動作紅色指示燈常亮
模塊輸入動作—輸入動作紅色指示燈常亮
工作電壓 電源總線:DC24V 二總線:DC 14V ~ 24V
工作電流 電源總線:< 6mA ( 靜態) < 21mA ( 空載啟動)
二總線電流:< 2mA
輸出信號參數 有源:DC24V/2A
輸入信號參數 無源開關量信號輸入
工作環境溫度 - 40℃~ 55℃
工作環境相對濕度 ≤ 95%〔(40±2)℃,無凝露〕
安裝方式 配合本公司LD60(ED) 底座安裝使用,采用插拔式結構,安裝方便
最大外形尺寸 長85mm× 寬37mm× 高85mm( 含底座)
重量 0.092Kg±0.01Kg
四、利達LD6800EH-1輸入/輸出模塊外形結構示意圖

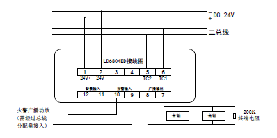
五、利達LD6800EH-1輸入/輸出模塊五、LD6800EH-1輸入/輸出模塊接線示意圖


公司資質
檢測報告
檢測報告
環境管理體系證書
質量管理體系證書
蘇公網安備32058102002152號